○三沢市旗の制定
昭和63年9月1日
告示第46号

三沢市旗を次のとおり定める。
この市旗は、旗面に三沢を象徴する市章を配し、木崎野の緑豊かな自然、安らぎと潤いを育む市民を表す松の緑を地の色に、永久に変わることのない輝きと美しさを誇る金色を市章の色とし、永遠の平和を願い、夢と希望を持ち、国際色豊かな文化都市三沢を象徴したものである。
(1) 旗生地 綴織地
(2) 市旗の色は、地の色を常磐色とし、市章の色は、金色とする。
(3) 刺繍 市章肉盛総手刺繍
(4) フレンジ ソフト金糸の2重七宝編にソフト金糸入本絹フレンジ、3方金モール付
(5) 仕立加工 綿ネル芯入り3ケ所本金押箔皮、鳩目付
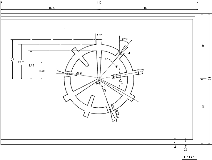
(6) 市旗の旗面の縦の長さは90センチメートル、横の長さは135センチメートルとする。
(7) 市旗を使用目的によって拡大又は縮小して用いる場合は、旗面の縦の長さと横の長さの比は2対3とする。
(8) 市旗に配する市章の大きさは、旗面の縦の長さの5分の3とし、市章の中心は、旗面の中心とする。
(9) 市旗の作製方法は、別記の作図法に基づき製図するものとする。
(10) 略旗を染色加工により作製する場合は、次によるものとする。
ア 旗面の地は、常磐色に、市章は、黄金色とする。
イ 略旗の作製方法は、(6)(7)(8)(9)によるものとする。
ウ 略旗には原則としてフレンジ及びモールを付けない。
